WC paquete completo 45: WC B-8030R Negro

Con asiento de cierre suave y módulo sanitario 805S Negro

Número de producto: 23072

579,90 €
En stock
Entrega: aprox.

Sólo 999 piezas disponibles

Precio con IVA y sin IVA envío

Esta variante no está disponible por el momento. Por favor, selecciona otra opción.

  • American Express
  • Apple Pay
  • Google Pay
  • Maestro
  • Mastercard
  • PayPal
  • Shop Pay
  • Visa
  • Klarna

Información sobre el producto

Inodoro suspendido B-8030 - cubeta y asiento soft close negro

¡Ponga un toque de elegancia en su baño con este inodoro suspendido en negro!

El inodoro suspendido BERNSTEIN B-8030 en un negro mate es de cerámica sanitaria de alta calidad. Su diseño es simple pero elegante y con un embaldosado blanco ofrece un magnífico contraste de colores.

La gran ventaja de un inodoro de fondo hondo es su bajo consumo de agua además de los olores limitados. La superficie lisa no porosa del inodoro con revestimiento Nano es higiénico, los gérmenes tienen pocas posibilidades de incrustarse, el agua resbala por la superficie.

Todas las salidas son conformes a la norma DIN.

La limpieza de la superficie lisa se simplifica gracias al revestimiento NANO - y al sistema Take-Off-Funktion. Para una limpieza eficaz, la tapa es desmontable y se puede quitar con solo presionar un botón. El asiento y la tapa del inodoro, incluidos con este artículo, se cierran con suavidad y sin hacer ruido.

Dimensiones y especificaciones

Material Material sanitario
Color Negro mate
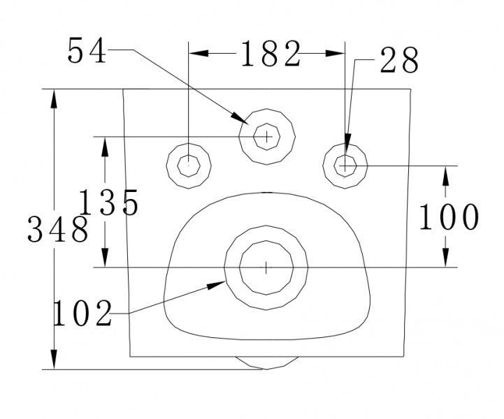
Dimensiones 550 x 365 x 348 mm (P x A x H)
Peso Neto: 28,85 kg, Bruto 30,83 kg
  Inodoro lavable sin borde
  Salida horizontal
  Conexión DIN
  Nanorecubrimiento
  salida de 100 mm
  Distancia de fijación 180 mm
 Tapa de plástico sanitario de alta calidad (Duroplast)
 Función de cierre suave    Con función de cierre suave para un cierre silencioso de la tapa y el asiento
 Función de extracción    Se extrae rápidamente mediante un botón para facilitar la limpieza

Volumen de suministro

  • Inodoro suspendido B-8030 negro y asiento softclose negro
  • Módulo sanitario 805

 

Entrega

Los envíos de palets se entregan en la acera. Tenga en cuenta que el transportista le llamará para acordar la fecha de entrega. No olvide incluir su número de teléfono (fijo o móvil) al realizar su pedido.
En el caso de las entregas en las islas, el transporte marítimo tiene un coste adicional. Para poder calcular estos costes con precisión, necesitamos su código postal.

Descargas

Gastos de envío

99 EUR

Entrega por agencia de transportes

Recogeremos su pedido y lo llevaremos a un centro de distribución. Desde allí, se transportará al almacén de entrega de su barrio. En cuanto su envío haya llegado allí, se le avisará (notificación) y finalmente se le hará la entrega directamente a usted (acera).

Para los artículos en stock, su pedido estará con usted en unos 5-7 días laborables.

Seguridad del producto

Marca: Bernstein

Información del fabricante

NEXTREND - GmbH
Weiherstraße 1
65439 Flörsheim a. M.
Alemania
support@bernstein-badshop.de

  • Envío rápido

  • Producción propia

  • 30 días de devolución

  • Máxima calidad

Default Title
  • Inodoro suspendido de cerámica sanitaria de alta calidad
  • Fácil de cuidar e higiénico gracias al nanorecubrimiento
  • Inodoro de baja descarga: Higiénico, fácil de limpiar y de bajo consumo de agua
  • Tapa extraíble de cierre suave 
  • Tapa del inodoro de plástico sanitario de alta calidad (Duroplast)
  • Conexión DIN
  • 5 años de garantía para la cerámica del WC
Default Title
  • Diseño elegante de aluminio y cristal
  • Revestimiento frontal de vidrio de seguridad de 8 mm de grosor (ESG)
  • Autoportante
  • Incluye cisterna con sistema de 2 descargas
  • Volumen de descarga ajustable
  • Volumen de descarga ajustable
  • Incluye placa de accionamiento
  • Incluye alfombra de aislamiento acústico
  • Instalación sencilla
  • Ideal para obras nuevas o renovaciones de baños

Inspiraciones de nuestros clientes

Comprar este look

Inspiraciones para usted

Ver galería

Ventajas de la marca

Diseño individual de Bernstein

Envío rápido

Enfoque personal para cada orden

Pago seguro